一共7篇文章
专题:第4期
-
FAN系列缩紧锁紧螺母
日本FKD生产的FAN系列缩紧锁定螺母,采用独特的隔膜机构,利用螺母本身的弹力可以获得强大的松动扭矩。您可以微调接触面的周长和垂直角度,对振动的旋转系统获取显著的放松能力。一般用于轴承紧固,轴向力、预紧力的调整,或一些需要轴向定位的位置。 本体材质:SCM440(42CrMo) 表面处理:黑色涂层处理 调质硬度:HB201~280 螺纹精度:ISO-4H... 奥安斯
- 1k
- 0
-
FKNA系列斜角锁紧螺母
日本FKD公司生产的FKNA系列斜角锁定螺母,其螺纹面和端面同时磨削加工完成,具有精确的直角度。其紧定螺钉相对于轴线以30°的角度拧紧,可获得稳定的锁固力。销扳手型,可重复应用于您想要缩短调整时间的工装位置。 本体材质:SCM440(42CrMo) 表面处理:黑色涂层处理 调质硬度:HRC22°~25° 螺纹精度:ISO-4H... 奥安斯
- 37.4k
- 0
-
FKN系列斜角锁紧螺母
日本FKD公司生产的FKN系列斜角锁定螺母,其螺纹面和端面同时磨削加工完成,具有精确的直角度。其紧定螺钉相对于轴线以30°的角度拧紧,可获得稳定的锁固力。勾扳手型,可重复应用于您想要缩短调整时间的工装位置。 本体材质:SCM440(42CrMo) 表面处理:黑色涂层处理 调质硬度:HRC22°~25° 螺纹精度:ISO-4H... 奥安斯
- 3.2m
- 0
-
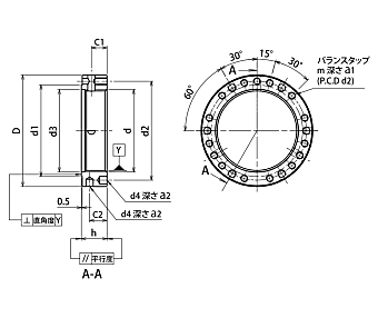
ZMN系列精密平衡螺母
日本FKD公司生产的ZMN系列轴向锁紧平衡螺母,其螺纹面和端面同时磨削加工完成,设置有3个120°均布的紧定螺钉和12个30°均布的平衡螺纹孔,且轴方向和圆周方向分别设置6个60°均布的扳手孔。因外径经过抛光,并且加工有用于平行平衡控制和动态平衡的螺纹孔,该系列螺母主要用于超精密工况。 本体材质:SCM435(35CrMo) 表面处理:黑色涂层处理 调质硬度:HRC30°~37° 螺纹精度:ISO…... 奥安斯
- 295
- 0
-
ZMT系列径向锁紧螺母
日本FKD公司生产的ZMT系列径向锁定螺母,其螺纹面和端面同时磨削加工完成,设置有三个120°均布的紧定螺钉,锁紧力更强更均匀。 此外,螺母工作面已经过抛光处理,提高了表面光亮度,增强了产品的使用性能。 本体材质:SCM435(35CrMo) 表面处理:黑色涂层处理 调质硬度:M85以下规格 HRC30°~37°;M90以上规格HRC15°~20° 螺纹精度:ISO-4H 直角度:0.002~0.…... 奥安斯
- 4.1k
- 0
-
ZMV系列轴向锁紧螺母
日本FKD公司生产的ZMV系列轴向锁定螺母,其螺纹面和端面同时磨削加工完成,并控制两个轴向锁固的紧定螺钉的角度为180°或60°(型号末尾标记S,例ZMV30S)。 此外,螺母工作面已经过抛光处理,提高了表面光亮度,增强了产品的使用性能。 本体材质:SCM435(35CrMo) 表面处理:黑色涂层处理 调质硬度:M85以下规格 HRC30°~37°;M90以上规格HRC15°~20° 螺纹精度:I…... 奥安斯
- 88.3k
- 0
-
ZM系列径向锁紧螺母
日本FKD公司生产的ZM系列径向锁定螺母,其螺纹面和端面同时磨削加工完成,并控制两个紧定螺钉的角度为180°或60°(型号末尾标记S,例ZM30S)。 此外,螺母工作面已经过抛光处理,提高了表面光亮度,增强了产品的使用性能。 本体材质:SCM435(35CrMo) 表面处理:黑色涂层处理 调质硬度:M85以下规格 HRC30°~37°;M90以上规格HRC15°~20° 螺纹精度:ISO-4H 直…... 奥安斯
- 50.3k
- 1













