-
ZMN系列精密平衡螺母
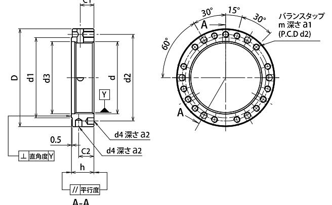
日本FKD公司生产的ZMN系列轴向锁紧平衡螺母,其螺纹面和端面同时磨削加工完成,设置有3个120°均布的紧定螺钉和12个30°均布的平衡螺纹孔,且轴方向和圆周方向分别设置6个60°均布的扳手孔。因外径经过抛光,并且加工有用于平行平衡控制和动态平衡的螺纹孔,该系列螺母主要用于超精密工况。 本体材质:SCM435(35CrMo) 表面处理:黑色涂层处理 调质硬度:HRC30°~37° 螺纹精度:ISO…- 295
- 0
ZMN系列
幸运之星正在降临...
点击领取今天的签到奖励!
恭喜!您今天获得了{{mission.data.mission.credit}}积分
我的优惠劵
-
¥优惠劵使用时效:无法使用使用时效:
之前
使用时效:永久有效优惠劵ID:×
没有优惠劵可用!

